-
সীসা-অ্যাসিড ব্যাটারি উত্পাদন লাইনের জন্য মেশিন এবং নির্বাচন গাইড - 5
গঠন সরঞ্জামগঠনে তাদের কর্মক্ষমতা সক্রিয় এবং স্থিতিশীল করার জন্য নিয়ন্ত্রিত অবস্থার অধীনে ব্যাটারিগুলি চার্জিং এবং ডিসচার্জ করা জড়িত। গঠনের সরঞ্জাম এই প্রক্রিয়াটি সহজতর করে।ব্যা...- Industry news
- দ্বারা: JinHan
- Apr 22,2024

-
সংবাদ সতর্কতা: এজিএম সেপারেটরে সাম্প্রতিক মূল্য পরিবর্তন
সাম্প্রতিক দাম সম্পর্কে ভাগ করে নেওয়ার জন্য আমাদের কাছে একটি গুরুত্বপূর্ণ আপডেট রয়েছে এজিএম ব্যাটারি বিভাজক.গত বছর থেকে, আমরা বিশ্বব্যাপী কাঁচামালের দামে উল্লেখযোগ্য ওঠানামা...- Industry news
- দ্বারা: JinHan
- Apr 15,2024

-
সীসা-অ্যাসিড ব্যাটারি উত্পাদন লাইনের জন্য মেশিন এবং নির্বাচন গাইড - 4
গঠন সরঞ্জামগঠনে তাদের কর্মক্ষমতা সক্রিয় এবং স্থিতিশীল করার জন্য নিয়ন্ত্রিত পরিস্থিতিতে ব্যাটারিগুলি চার্জ এবং ডিসচার্জ করা জড়িত। গঠনের সরঞ্জাম এই প্রক্রিয়াটি সহজতর করে।ব্যাটারি...- Industry news
- দ্বারা: JinHan
- Apr 08,2024

-
মস্কো আন্তর্জাতিক ব্যাটারি প্রদর্শনী
25-28 মার্চ, 2024-এ, আমরা সুন্দর রাশিয়ায় অবস্থিত মস্কোতে আন্তর্জাতিক ব্যাটারি প্রদর্শনীতে অংশ নিতে আমন্ত্রিত হয়ে সম্মানিত। গত কয়েক দিনে, আমরা পুরানো গ্রাহকদের সাথে দেখা করেছি য...- Company News
- দ্বারা: JinHan
- Apr 01,2024

-
সীসা-অ্যাসিড ব্যাটারি উত্পাদন লাইন জন্য মেশিন এবং নির্বাচন গাইড - 3
গুণমান পরিদর্শন সরঞ্জাম: এই সরঞ্জামটি মানের মানগুলির সাথে সম্মতি নিশ্চিত করার জন্য চাক্ষুষ পরিদর্শন, কার্যকরী পরীক্ষা ইত্যাদি সহ একত্রিত ব্যাটারির গুণমান পরিদর্শন করার জন্য নিযুক্ত...- Industry news
- দ্বারা: JinHan
- Mar 25,2024

-
আন্তর্জাতিক ব্যাটারি প্রদর্শনী
25-28 মার্চ, 2024-এ, আমরা সুন্দর রাশিয়ায় অবস্থিত মস্কোতে আন্তর্জাতিক ব্যাটারি প্রদর্শনীতে অংশ নিতে আমন্ত্রিত হয়ে সম্মানিত। গত কয়েক দিনে, আমরা পুরানো গ্রাহকদের সাথে দেখা করেছি য...- Company News
- দ্বারা: JinHan
- Mar 19,2024

-
সীসা-অ্যাসিড ব্যাটারি উত্পাদন লাইন জন্য মেশিন এবং নির্বাচন গাইড - 2
সিলিং এবং ঢালাই মেশিন: এই মেশিনটি ব্যাটারিটি সিল করে এবং ঝালাই করে, এটি নিশ্চিত করে যে ইলেক্ট্রোলাইট ব্যাটারির মধ্যে সিল থাকে এবং স্থিতিশীল অভ্যন্তরীণ চাপ বজায় রাখে।সিলিং এবং ঢালা...- Industry news
- দ্বারা: JinHan
- Mar 18,2024

-
সীসা-অ্যাসিড ব্যাটারি উত্পাদন লাইনের জন্য মেশিন এবং নির্বাচন গাইড - 1
লিড প্লেট কাটিং মেশিন: এই মেশিনটি ব্যাটারির ইতিবাচক এবং নেতিবাচক প্লেটগুলির জন্য প্রয়োজনীয় নির্দিষ্ট মাত্রা এবং আকারগুলিতে সীসা প্লেটগুলি কাটাতে ব্যবহৃত হ...- Industry news
- দ্বারা: JinHan
- Mar 11,2024

-
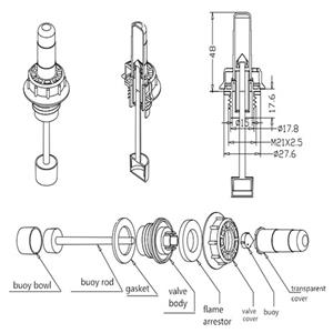
কেন ব্যাটারি তরল স্তর সূচক প্রয়োজন?
একটি সীসা-অ্যাসিড ব্যাটারি বেশ কয়েকটি গুরুত্বপূর্ণ কারণে একটি জল স্তর সূচক প্রয়োজন:একটি সীসা-অ্যাসিড ব্যাটারিতে জলের স্তর ' এস ইলেক্ট্রোলাইট তার সঠিক কার্যকারিতার জন্য অত্যন্...- Industry news
- দ্বারা: JinHan
- Mar 04,2024

-
সুপার ব্যাটারি কি?
সুপার ব্যাটারি এক ধরনের হাইব্রিড এনার্জি স্টোরেজ এলিমেন্ট, যা লেড-অ্যাসিড ব্যাটারি পার্ট এবং অ্যাসিমেট্রিক সুপার ক্যাপাসিটর পার্ট সহ দুটি অংশ নিয়ে গঠিত, যা একটি অভ্যন্তরীণ নন কন্ট...- Industry news
- দ্বারা: JinHan
- Feb 26,2024

-
নতুন বছরকে স্বাগত জানানো, আগামীকে আলিঙ্গন করা
প্রিয় গ্রাহকবৃন্দ,শুভ নববর্ষ! ছুটির মরসুম পেরিয়ে গেছে, এবং সামনের বছরের জন্য প্রত্যাশা এবং উত্সাহের সাথে, আমরা নতুন বছরের আগমনকে আন্তরিকভাবে স্বাগত জানাই।গত এক বছরে আমরা আমাদের গ...- Company News
- দ্বারা: JinHan
- Feb 19,2024

-
সীসা-অ্যাসিড ব্যাটারির জন্য কীভাবে উচ্চমানের ব্যাটারি ম্যাজিক আই চয়ন করবেন
সীসা-অ্যাসিড ব্যাটারির জন্য একটি উচ্চমানের ব্যাটারি যাদু চোখ নির্বাচন করা বেশ কয়েকটি মূল বিবেচনার সাথে জড়িত: স্থায়িত্ব এবং বিল্ড কোয়ালিটি: কম্পন এবং তাপমাত্রার...- Industry news
- দ্বারা: JinHan
- Feb 12,2024


ইংরাজি
রুশ
পর্তুগিজ
আরবি
বাংলা
ইন্দোনেশীয়




